跳到主要內容
首頁 > 藏品資訊
:::
藏品資訊
登錄號:C004169藏品圖,第1張
圖檔授權標示:創用CC說明圖示
登錄號:C004169藏品圖,第2張
圖檔授權標示:創用CC說明圖示
館號:C004169 之藏品

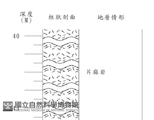
學門:岩礦學門(岩心蒐藏)

館號/編目號 Catalog No.:C004169

鉆孔號:PA-20

深度(M):40-44 (M)

鉆孔總深度:200公尺

工程名稱:國道蘇澳和平段岩心標本

國家:中華民國

縣市:宜蘭縣

鄉鎮:南澳鄉樟樹山

經度:121°45'47"

緯度:24°24'53"