跳到主要內容
首頁 > 藏品資訊
:::
藏品資訊
登錄號:C000048藏品圖,第1張
圖檔授權標示:創用CC說明圖示
登錄號:C000048藏品圖,第2張
圖檔授權標示:創用CC說明圖示
登錄號:C000048藏品圖,第3張
圖檔授權標示:創用CC說明圖示
館號:C000048 之藏品

學門:岩礦學門(岩心蒐藏)

館號/編目號 Catalog No.:C000048

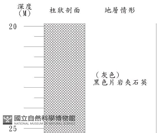
鉆孔號:DH- 3

深度(M):20-25 (M)

鉆孔總深度:63公尺

工程名稱:軟玉礦床探勘開發計畫

主要地貌:豐田地區

經度:121°26'38"

緯度:23°52'04"