跳到主要內容
首頁 > 藏品資訊
:::
藏品資訊
登錄號:C003878藏品圖,第1張
圖檔授權標示:創用CC說明圖示
登錄號:C003878藏品圖,第2張
圖檔授權標示:創用CC說明圖示
館號:C003878 之藏品

學門:岩礦學門(岩心蒐藏)

館號/編目號 Catalog No.:C003878

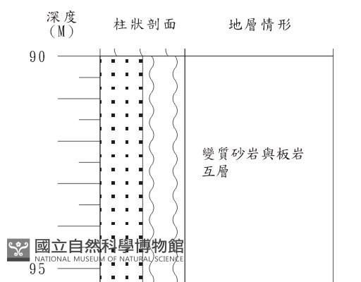
鉆孔號:PA-3

深度(M):90-95 (M)

鉆孔總深度:100 公尺

工程名稱:國道蘇澳和平段岩心標本

國家:中華民國

縣市:宜蘭縣

鄉鎮:蘇澳鎮

經度:121°49'23"

緯度:24°35'57"