跳到主要內容
首頁 > 藏品資訊
:::
藏品資訊
登錄號:C001318藏品圖,第1張
圖檔授權標示:創用CC說明圖示
登錄號:C001318藏品圖,第2張
圖檔授權標示:創用CC說明圖示
登錄號:C001318藏品圖,第3張
圖檔授權標示:創用CC說明圖示
館號:C001318 之藏品

學門:岩礦學門(岩心蒐藏)

館號/編目號 Catalog No.:C001318

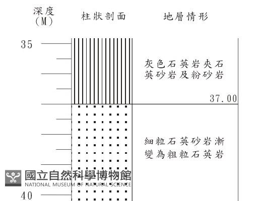
鉆孔號:PH-6

深度(M):35-40 (M)

鉆孔總深度:150公尺

工程名稱:國道北宜快速公路坪林隧道段地質調查鑽探

縣市:宜蘭縣

鄉鎮:礁溪鄉

經度:121°44'42"

緯度:24°50'18"