跳到主要內容
首頁 > 藏品資訊
:::
藏品資訊
登錄號:C000065藏品圖,第1張
圖檔授權標示:創用CC說明圖示
登錄號:C000065藏品圖,第2張
圖檔授權標示:創用CC說明圖示
登錄號:C000065藏品圖,第3張
圖檔授權標示:創用CC說明圖示
館號:C000065 之藏品

學門:岩礦學門(岩心蒐藏)

館號/編目號 Catalog No.:C000065

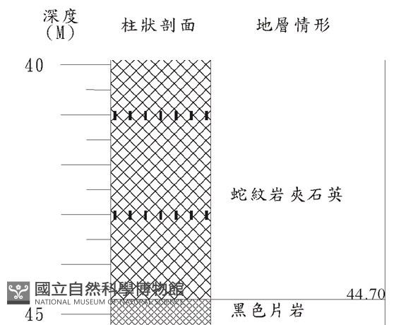
鉆孔號:DH- 4

深度(M):40-45 (M)

鉆孔總深度:67.7公尺

工程名稱:軟玉礦床探勘開發計畫

主要地貌:豐田地區

經度:121°26'28"

緯度:23°51'59"