跳到主要內容
首頁 > 藏品資訊
:::
藏品資訊
登錄號:C001364藏品圖,第1張

圖檔授權標示:


登錄號:C001364藏品圖,第2張

圖檔授權標示:


登錄號:C001364藏品圖,第3張

圖檔授權標示:


館號:C001364 之藏品

學門:岩礦學門(岩心蒐藏)

館號/編目號 Catalog No.:C001364

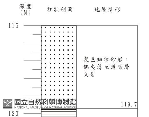
鉆孔號:C-42

深度(M):115-120 (M)

鉆孔總深度:185公尺

工程名稱:國道北宜快速公路坪林隧道段地質調查鑽探

縣市:台北市

鄉鎮:南港區

經度:121°37'51"

緯度:25°01'37"