跳到主要內容
首頁 > 藏品資訊
:::
藏品資訊
登錄號:C000042藏品圖,第1張

圖檔授權標示:


登錄號:C000042藏品圖,第2張

圖檔授權標示:


登錄號:C000042藏品圖,第3張

圖檔授權標示:


館號:C000042 之藏品

學門:岩礦學門(岩心蒐藏)

館號/編目號 Catalog No.:C000042

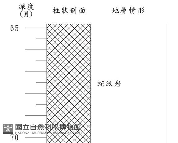
鉆孔號:DH- 2

深度(M):65-70 (M)

鉆孔總深度:74.5公尺

工程名稱:軟玉礦床探勘開發計畫

主要地貌:豐田地區

經度:121°26'56"

緯度:23°51'56"