To main content
Home > Works
:::
Works
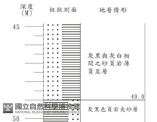
Accession Number:C001350 Collection Image, Figure 1, Total 3 Figures
Accession Number:C001350 Collection Image, Figure 2, Total 3 Figures
Accession Number:C001350 Collection Image, Figure 3, Total 3 Figures

Department: Geology Department / Rock and Minerals Division

TNM No./Catalog No.:C001350