跳到主要內容
首頁 > 藏品資訊
:::
藏品資訊
台機公司股權標售後續方案文獻影本藏品圖,第1張
圖檔授權標示:創用CC說明圖示
台機公司股權標售後續方案文獻影本藏品圖,第2張
圖檔授權標示:創用CC說明圖示
台機公司股權標售後續方案文獻影本藏品圖,第3張
圖檔授權標示:創用CC說明圖示
台機公司股權標售後續方案文獻影本藏品圖,第4張
圖檔授權標示:創用CC說明圖示
台機公司股權標售後續方案文獻影本藏品圖,第5張
圖檔授權標示:創用CC說明圖示
台機公司股權標售後續方案文獻影本藏品圖,第6張
圖檔授權標示:創用CC說明圖示
台機公司股權標售後續方案文獻影本藏品圖,第7張
圖檔授權標示:創用CC說明圖示
台機公司股權標售後續方案文獻影本藏品圖,第8張
圖檔授權標示:創用CC說明圖示
台機公司股權標售後續方案文獻影本藏品圖,第9張
圖檔授權標示:創用CC說明圖示
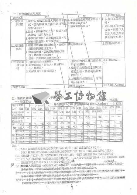
台機公司股權標售後續方案文獻影本

類別:圖書文獻類 - 文書檔案

材質:數位檔案

取得方式:捐贈

登錄號:20230080032

藏品描述:本資料手寫部分係各廠與工會修正決議打字部分係經濟部草案,於民國84年3月9日撰擬,共計9頁。

藏品描述-授權標示:創用CC說明圖示